Lambretta Electronic Ignition, stator plate DC, (can also be used for AC), bgm
£90.00
£75.00
Out of stock
SKU
MBGM0408
Electronic Stator, DC Bgm (plate) can be also used as AC
The ultimate Lambretta Stator plate to give the most power (120w) to run the lighting system on DC using a battery or capacitor (or without either)
Works with our bgm Rectifier or any single phase rectifiers (Wassell/Podtronics)
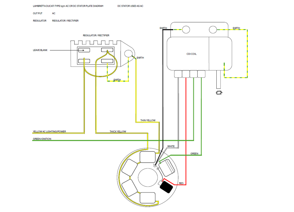
- DC Stator 2 Yellow wires (Thick Yellow and Yellow/Red tracer wire) goes to the two yellows on the rectifier.
- AC Stator (Thick Yellow goes to regulator. Yellow/Red tracer wire goes to earth)
- Comes with an extra Black earth for super safety - earth to the frame.
- Green, Red, White are for the CDI coil the same for DC and AC.
This is the new re-worked bgm stator plate with silicone wires and new orange pickup V4.5.
Now comes with adjusting plates so the pickup can be raised.
Now comes with longer slots for more adjustment.
Wiring diagrams can be found here
This stator can also be used as an AC stator by using the Yellow with tracer wire to earth on the frame. Thicker Yellow goes to the regulator (AC) or to the bgm Regulator/Rectifier AC/DC.
Black is an extra earth.
Red, White & Green to CDI
A diagram can be found below

| Brand | BGM |
|---|---|
| Fitment | Lambretta |
Write Your Own Review
Only registered users can write reviews. Please Sign in or create an account
Best quality stator on the market, constantly modified to work better with strange engine set ups
To use this stator as a 12 volt DC you will need a DC rectifier.
MBGM0409
Stator plate wire connections
- Both Yellows (Yellow/tracer) connect to either Yellow on the rectifier
- Black is an earth which can be bolted to the mounting point on the Rectifier/Frame, use MB earth strap MRB0805K these come with all MB looms
- Red to Red on coil
- White to White on coil
- Green to Green on coil
- Main thick Yellow connects to Yellow on the regulator
- Yellow/tracer wire goes to earth on the frame
- Black is an earth which can be bolted to the mounting point on the Rectifier/Frame, use MB earth strap MRB0805K these come with all MB looms
- Red to Red on coil
- White to White on coil
- Green to Green on coil
Check out our universal AC and DC wiring loom fitting instructions to see how to wire up a DC ignition system
Related Products
-
Lambretta Electronic Ignition kit (flywheel, stator, Red CDI, rectifier) DC, Gp, bgm£335.98 £279.98Out of stock -
Lambretta Electronic ignition kit (flywheel, stator, Blue CDI, rectifier) DC, Gp, bgm£335.98 £279.98Out of stock













